As a leading manufacturer of high-performance titanium products, Baoji Huacan New Metal Technology Co., Ltd. specializes in producing top-quality m7 titanium bolts. Our advanced manufacturing capabilities, strict quality control, and commitment to innovation make us the preferred choice for industries demanding superior fastening solutions.
The products are precision-engineered fasteners designed for applications requiring exceptional strength-to-weight ratio, corrosion resistance, and durability. These bolts are crafted from high-grade titanium alloys, making them ideal for use in aerospace, automotive, medical, and marine industries. Our products offer unparalleled performance in extreme conditions, ensuring reliable and long-lasting connections in critical assemblies.

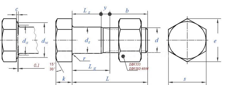
| Thread Size | M12 | M12 | M16 | M20 | M22 | M22 | M24 | M27 | M30 | |
| d | ||||||||||
| P | 1.75 | 1.75 | 2 | 2.5 | 2.5 | 2.5 | 3 | 3 | 3.5 | |
| b | 17.12 | 17.12 | 20.5 | 23.75 | 25.75 | 25.75 | 26.5 | 29.5 | 31.25 | |
| ds | max | 13 | 13 | 17 | 21 | 23 | 23 | 25 | 28 | 31 |
| min | 12.89 | 12.89 | 16.89 | 20.87 | 22.87 | 22.87 | 24.87 | 27.87 | 30.84 | |
| k | Nominal Size | 8 | 8 | 10 | 13 | 14 | 14 | 15 | 17 | 19 |
| min | 7.55 | 7.55 | 9.25 | 12.1 | 13.1 | 13.1 | 14.1 | 16.1 | 17.95 | |
| max | 8.45 | 8.45 | 10.75 | 13.9 | 14.9 | 14.9 | 15.9 | 17.9 | 20.05 | |
| s | max=nominal size | 18 | 19 | 24 | 30 | 34 | 32 | 36 | 41 | 46 |
| min | 17.57 | 18.48 | 23.16 | 29.16 | 33 | 31 | 35 | 40 | 45 | |
| nut | 15.9 | 15.9 | 30.8 | 60.3 | 80.2 | 80.2 | 103 | 154 | 216 | |



High-Precision CNC Machines
Years Of Titanium Machining Experience
Tons Of Annual Production Capacity
International Client Collaborations

Aerospace

Medical

Automotive

Chemical

Oil & Gas

Sports & Leisure












FAQ
Q: What is the minimum order quantity for products?
A: Our standard MOQ is 100 pieces, but we can accommodate smaller quantities for specialized orders.
Q: Can you provide material certifications and test reports?
A: Yes, we provide comprehensive material certifications and test reports with every order.
Q: What is the lead time for products?
A:Standard lead time is 2-3 weeks, but we offer expedited production for urgent requirements.
Q: Are your products suitable for medical implants?
A: Yes, our titanium bolts can be manufactured to meet biocompatibility standards for medical applications.
Custom
designed foam inserts for delicate components
01
Vacuum
sealed bags with desiccants for moisture protection
02
Wooden Crate Packaging
Sturdy wooden crates for bulk shipments
03
Labeling & Documentation
Detailed labeling and documentation for easy tracking
04

Ready to elevate your projects with our premium DIN 7968 m7 titanium bolts? Contact our expert team today:
Email: Joy@hc-titanium.com or Sherry@hc-titanium.com
Tel & WhatsApp: +86 19991588029 or +86 18161773898
Baoji Huacan New Metal Technology Co., Ltd. - Your trusted partner for high-quality products and custom titanium solutions.
Learn about our latest products and discounts through SMS or email